中文  ENGLISH
您当前所在位置:首页 > 产品展示

DWPK跑偏开关


详细说明:
用途:跑偏开关用于检测输送机胶带的跑偏量和扭曲程度。可防止皮带边缘的损伤和因为胶带的跑偏而引起的物料散落。
技术参数:开关触点的额定值:2个SPDT(单刀双掷)
开关,16A/250V/AC二常开二常闭自清洁触点
外壳:铸铝防风雨外壳 防护等级:IP65
法向报警角度:在偏离垂直方向22.5°可调
作用力:5磅 导线开孔:3/4"-14NPT。双导线孔设计。
通讯接口:编码终端器(用户选配) 通讯距离:双绞线1.2千米,光缆50千米
使用环境:
环境温度:-40℃~+60℃; 相对湿度:不大于90%;
大气压力:80~110kpa; 海拔高度:不超过2000M;
使用寿命:开关动作1万次; 绝缘电压:AC1000V试验历时1分钟
安装指南:
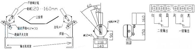
(1)安装示意图

(2)动作示意及接线图

选型指南
I 用户订购产品时,一般型号设置为DYPK-X-X(如DYPK-12-30),型号后的数字表示为一级动作角度及二级动作角度;
II 一级动作角度为皮带跑偏报警角度,二级动作角度为皮带跑偏停机;
III 用户可对角度进行自行定义,极限角度为60°,在订购产品时,应对销售人员说明角度要求,进行提前预设;
网站地图 | 联系我们 地址:咸阳德赢机械制造有限公司    电话:+86-029-33195437      传真:+86-029-33195437      Email:dy@doawin.com
版权所有 Copyright(C)2013 咸阳德赢机械制造有限公司