中文
ENGLISH
首页
关于我们
产品展示
新闻动态
技术指南
工程案例
联系我们
您当前所在位置:
首页
> 产品展示
DWLC-A溜槽堵塞检测器
详细说明:
用途:用于检测胶带输送机工作过程中溜槽是否存在堵塞现象,当出现溜槽堵塞现象时,该检测器自动发出信号。
技术参数:
输出触点:2常开2常闭 触点容量:AC/220V/5A
电控箱电源:AC 220V 煤电阻范围:≤5MΩ
使用环境:一40℃-+60℃ 防护等级:IP65
通讯接口:编码终端器(用户选配)
通讯距离:双绞线1.2千米,光缆50千米
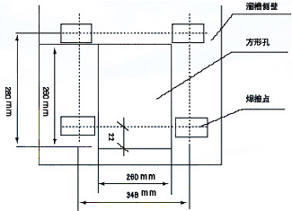
安装指南:
产品展示
Product display
电热式胶带硫化机
DWXBJ电热式胶带修补器
输送带剥皮机
输送机保护装置
网站地图
|
联系我们
地址:咸阳德赢机械制造有限公司 电话:+86-029-33195437 传真:+86-029-33195437 Email:
dy@doawin.com
版权所有 Copyright(C)2013 咸阳德赢机械制造有限公司